| 换热器 | |
| 产品型号: | 换热器 |
| 适用范围: | 换热器 |
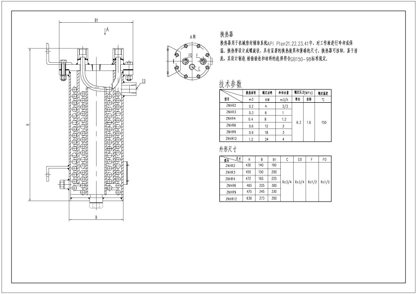
| 结构特点: | 换热器用于机械密封辅助系统API Plan21.22.23.41中,对工作液进行冷却或保温,换热管设计成螺旋状,具有显著的换热效果和紧凑的尺寸。换热器可拆卸,易于清洗,其设计制造,检验验收和材料的选择符合GB150-98标准规定。 |
详细介绍
| 换热器 | |
| 产品型号: | 换热器 |
| 适用范围: | 换热器 |
| 结构特点: | 换热器用于机械密封辅助系统API Plan21.22.23.41中,对工作液进行冷却或保温,换热管设计成螺旋状,具有显著的换热效果和紧凑的尺寸。换热器可拆卸,易于清洗,其设计制造,检验验收和材料的选择符合GB150-98标准规定。 |