| ZNF206 | |
| 产品型号: | ZNF206 |
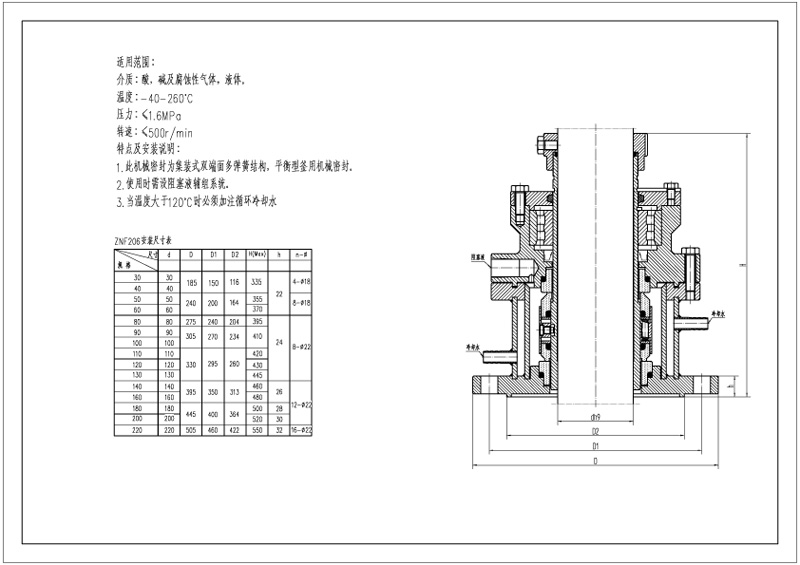
| 适用范围: | 介质:酸,碱及腐蚀性气体,液体。 温度:-40~260°C 压力:≤1.6MPa 转速:≤500r/min |
| 结构特点: | 1:此机械密封为集装式双端面多弹簧结构,平衡型釜用机械密封。 2:使用时需设阻塞液辅助系统。 3:当温度大于120°C时必须加注循环冷却水。 |
详细介绍

| ZNF206 | |
| 产品型号: | ZNF206 |
| 适用范围: | 介质:酸,碱及腐蚀性气体,液体。 温度:-40~260°C 压力:≤1.6MPa 转速:≤500r/min |
| 结构特点: | 1:此机械密封为集装式双端面多弹簧结构,平衡型釜用机械密封。 2:使用时需设阻塞液辅助系统。 3:当温度大于120°C时必须加注循环冷却水。 |
